TNC (Hard- und Software)

Es gibt viel mehr TNCs, als ich hier aufführen kann und will. Viele Designs sind leider nicht frei verfügbar. Das gilt dann auch für die darauf laufende Software (auch, wenn die Lizenzbedingungen der verwendeten Vorlage ausdrücklich etwas anderes sagen).
 

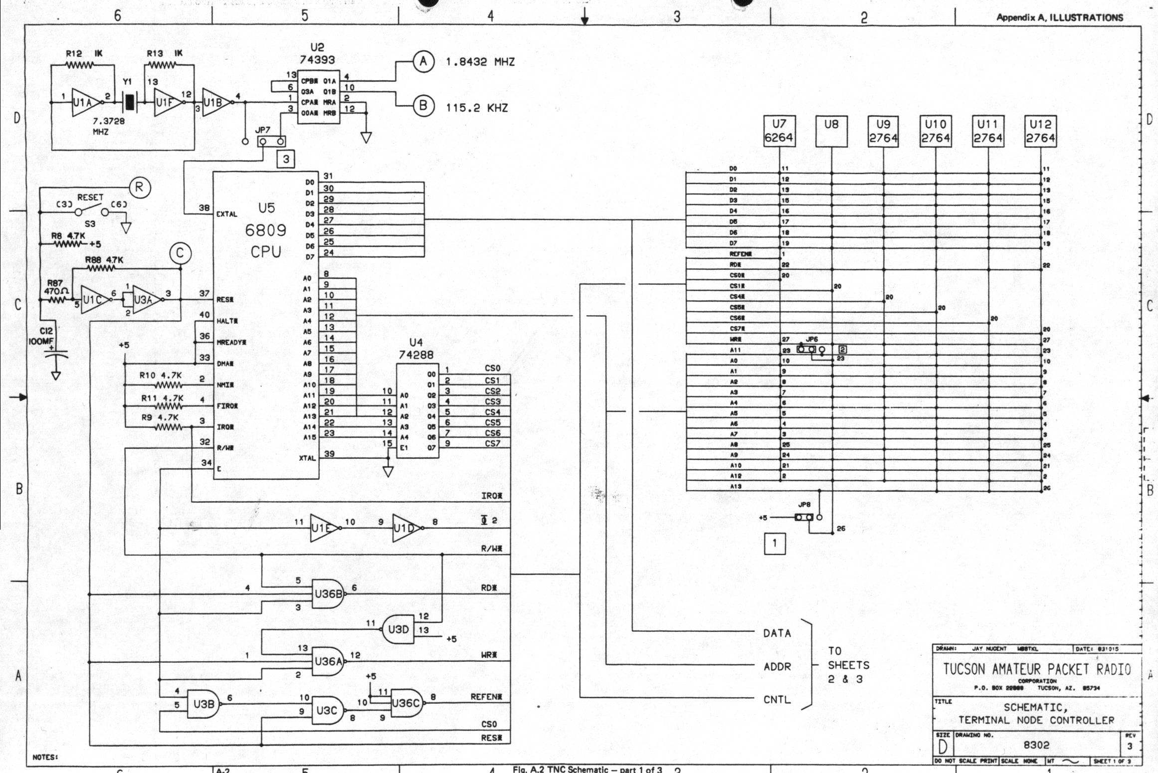
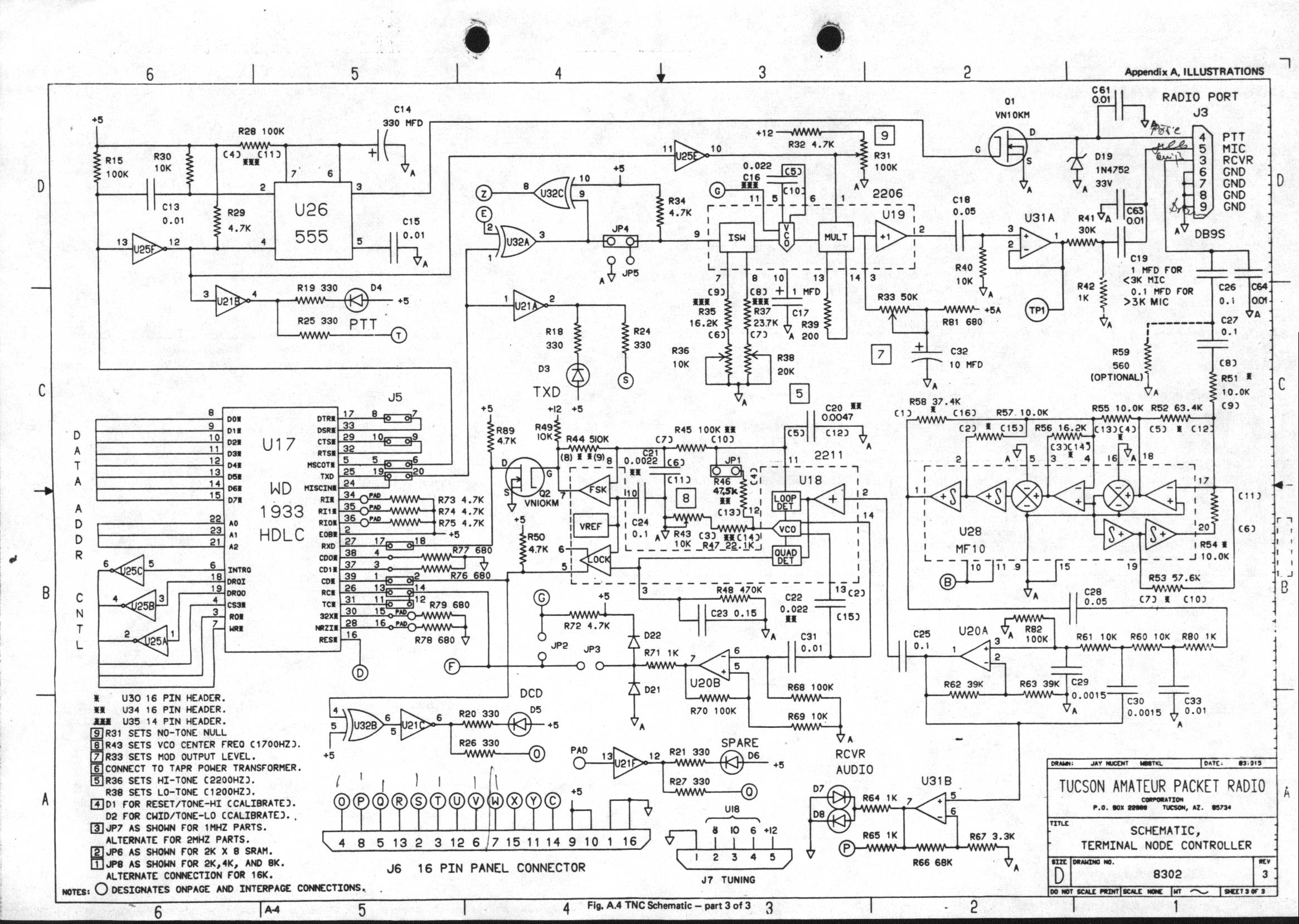
TNC1

ist der Klassiker von TAPR. Es gab vor seinem Erscheinen schon einige Entwürfe, die sich aber alle nicht durchsetzen konnten. Auch diverse Software Lösungen hatten wenig Erfolg.
Die Hardware basiert auf einem 6809 von Motorola mit einiger sehr teuerer Peripherie.
Die ursprüngliche Software von TAPR war teils in Assembler, teils in HP-Pascal geschrieben. Wenn jemand noch 8" Disketten lesen kann, kann ich die Quelltexte zur Verfügung stellen. Später hat dann WA8DED eine neue Firmware geschrieben, die den Terminalmodus durch den Hostmode ersetzte und völlig neuen Komfort bot. Auf Grund des hohen Preises konnte er sich nicht durchsetzen.
Die ersten vernetzten Digipeater in Deutschland (DB0FC, DB0FD, DB0FE) liefen mit einer Software von DC4OX auf TNC1.

Einer der ersten TNC, Direktimport als Bausatz von DJ3UW aus Tucson, AZ
Schaltbild 1(3)   Schaltbild 2(3)   Schaltbild 3(3)

TNC2

gab es in vielen Geschmacksrichtungen. Alle basieren auf einem Z80 mit der passenden SIO.

TAPR

Es gab auch eine Version von TAPR, von der ich leider keine Hardware Unterlagen habe. Die Software dazu ist ähnlich spartanisch wie beim TNC1. Der Quelltext der Firmware ist geheim.

EURO-TNC

Der EURO-TNC war eine preiswerte Lösung auf zwei Euro-Platinen.

TNC2C

Der TNC2C wurde der Renner schlechthin. Auf einer Europlatine war er für wenig Geld schnell aufgebaut. Die passende Firmware gab es von WA8DED (Quelltext geheim) und als TheFirmware von Nordlink (ALAS)

Schaltbild Teil 1
Schaltbild Teil 2

GLB ("der Elch")

Kenner der Szene konnten ein GLB-Board an seinem characteristischen Klang erkennen, dem er auch den Spitznamen verdankt. Es ist eine minimale Hardware auf Z80 Basis. Der Quelltext seiner Firmware ist geheim. Sie muß sehr trickreich programmiert sein. Schließlich sind nur 8kBytes Eprom und 4kBytes RAM an Bord.

Schaltbild

 

TNC220 und Verwandte

Der TNC220 basiert wie der TNC2 auf dem Z80, verwendet aber eine andere SIO. Außerdem unterstützt er zwei Baudraten: 300Bd für Kurzwelle und 1200Bd für VHF. Es gab eine TAPR ähnliche Firmware und von Nordlink TheFirmware.
Sehr verwandt ist der DR220, ein Gerät speziell für Digipeater mit 2 Ports für Funkgeräte und einem Terminalport. Da er auch nur maximal 1200Bd verträgt, kam er für Europa zu spät. Es fand sich niemand, der eine Digipeater Software dafür schreiben wollte.

Letzte Änderung am  05.08.2019